理想变压器的等效电阻模型,是对理想变压器比较深层次的考察,在考试中往往比较难。读者先看看下面这道题。
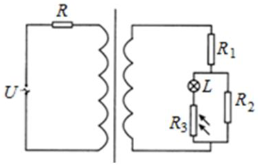
如图所示,理想变压器的原线圈接有电压为U的正弦交流电源,输出电压的有效值恒定。R1和R2为定值电阻,R3为光敏电阻,其阻值随照射光强度的增大而减小。现增大照射光强度,则( D )

A.通过原线圈的电流减小。
B.变压器的输出功率减小。
C.R1两端的电压减小。
D.R2消耗的功率减小。
可以尝试做一下,会发现很不好做,或者做出来了花费很多时间,像这种变压器问题:如果原线圈两端的电压不恒定(此题目原线圈两端的电压不是U),改变副线圈上的电阻阻值,想要快速解决此类的题目,就要用到理想变压器的等效电阻。
理想变压器的等效电阻模型

理想变压器的等效电阻
结论就是:副线圈上的等效电阻R′=(n1/n2)²R,R为副线圈上的总电阻。
根据能量守恒关系证明如下:

看看下面这道题,作为练习
高中物理知识点总结
One comment